|



As usual I have been spending so much time on other people's projects, that my own
projects are allmost standing still. Almost, but not completely;-) I have started on the
wiring and will be using a Motogadget M-unit (the little black box in the pics). This little
box
replaces all the fuses and the blinker-relay, it allows me to use "simplified" wiring
and even contains an alarm. The speedo I will use is a Motogadget Tiny, and it contains
a little digital display that is almost invisible when switched off. It also contains all the
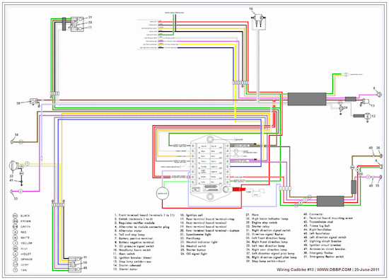
idiot lights. It took me quite a while to make the wiring schematic below, but this should
do the trick. It is much more complex than what I usually use, but then again this bike will
have alarm, blinkers, a horn, and even be pre-wired for electric start...

 
|