|
On this page I will share some info on how to make a
Weber DCOE 40 or 42 carb work on a Harley, in this case an 88 cubic
inch shovel.

I use a manifold (Rivera) intended for use with a Dellorto DHLA 40 and
that fits just fine.
This is a 2 into 1 into 2 manifold, which means that when the intake valve
opens the engine can breath through both venturi's;
if you go for a 2 into 2 manifold you will need different jets and larger
venturi's.
You need the biggest needle valve (8) you can get your hands on ,
(I use "Grose" valves, available for both Webers and Dellorto's)
A high flow petcock and fuel line are also a good idea, because since
these carbs are normally used on cars,
with fuelpumps, they tend to empty their floatbowls faster than gravity
alone can fill them....
Webers are available with lots of different sizes of venturi's, jets and
emulsion tube's (mixing pipes)
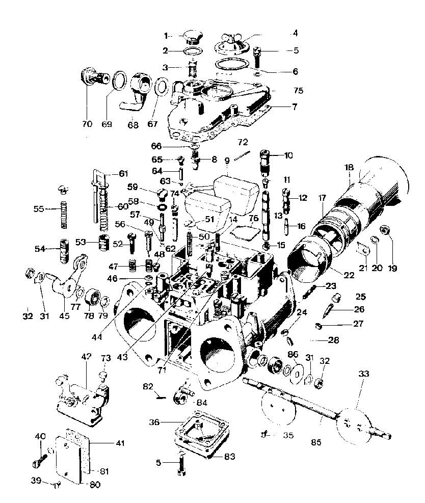
| No. |
Qty. |
Description |
|
No. |
Qty. |
Description |
|
| 1 |
1 |
Filter cover |
|
44 |
2 |
Idle mixture screw O-ring |
|
| 2 |
1 |
Filter cover gasket |
|
45 |
1 |
Throttle lever |
|
| 3 |
1 |
Filter element |
|
46 |
2 |
Idle mixture screw cup washer |
|
| 4 |
1 |
Jet inspection cover |
|
47 |
3 |
Spring |
|
| 5 |
9 |
Screw |
|
48 |
2 |
Vacuum take-off cover |
|
| 6 |
1 |
Jet inspection cover gasket |
|
49 |
2 |
Pump jet gasket |
|
| 7 |
1 |
Top cover gasket |
|
50 |
1 |
Throttle spindle return spring |
|
| 8 |
1 |
Needle valve |
|
51 |
1 |
Spring anchor plate |
|
| 9 |
1 |
Float |
|
52 |
1 |
Throttle stop screw |
|
| 10 |
2 |
Emulsion tube holder |
|
53 |
1 |
Pump plunger |
|
| 11 |
2 |
Air corrector jet |
|
54 |
2 |
Starter valve |
|
| 12 |
2 |
Idle jet holder |
|
55 |
2 |
Starter valve spring |
|
| 13 |
2 |
Emulsion tube |
|
56 |
2 |
Idle mixture screw |
|
| 14 |
1 |
Stud |
|
57 |
2 |
Pump jet |
|
| 15 |
2 |
Main jet |
|
58 |
2 |
Pump jet O-ring |
|
| 16 |
2 |
Idle jet |
|
59 |
2 |
Pump jet cover |
|
| 17 |
2 |
Auxiliary venturi |
|
60 |
1 |
Pump rod spring |
|
| 18 |
2 |
Air horn |
|
61 |
1 |
Pump rod |
|
| 19 |
4 |
Air horn fixing nut |
|
62 |
2 |
Starter jet |
|
| 20 |
4 |
Spring washer |
|
63 |
2 |
Pump demand valve ball |
|
| 21 |
4 |
Air horn tab |
|
64 |
2 |
Pump valve weight |
|
| 22 |
2 |
Venturi (choke tube) |
|
65 |
2 |
Pump demand valve cover |
|
| 23 |
4 |
Stud |
|
66 |
1 |
Needle valve gasket |
|
| 24 |
2 |
Lock nut |
|
67 |
1 |
Fuel union gasket |
|
| 25 |
2 |
Air by-pass screw cap |
|
68 |
1 |
Fuel union |
|
| 26 |
2 |
Air by-pass screw |
|
69 |
1 |
Fuel union gasket |
|
| 27 |
2 |
By-pass screw lock nut |
|
70 |
1 |
Fuel union bolt |
|
| 28 |
4 |
Locking screw |
|
71 |
2 |
Progression hole insp. cover |
|
| 29 |
--- |
--- |
|
72 |
1 |
Float pin |
|
| 30 |
--- |
--- |
|
73 |
1 |
Choke cable clamp |
|
| 31 |
2 |
Lock washer |
|
74 |
2 |
Starter air jet |
|
| 32 |
2 |
Throttle spindle nut |
|
75 |
1 |
Carburettor top cover |
|
| 33 |
2 |
Throttle plate |
|
76 |
1 |
Plate |
|
| 34 |
--- |
--- |
|
77 |
2 |
Washer |
|
| 35 |
4 |
Throttle plate screw |
|
78 |
2 |
Bearing |
|
| 36 |
1 |
Bottom cover gasket |
|
79 |
2 |
O-ring |
|
| 37 |
--- |
--- |
|
80 |
1 |
Inspection cover |
|
| 38 |
--- |
--- |
|
81 |
1 |
Gasket |
|
| 39 |
2 |
Inspection cover fixing screw |
|
82 |
1 |
Pin |
|
| 40 |
2 |
Choke cover fixing screw |
|
83 |
1 |
Cover |
|
| 41 |
1 |
Pump cover gasket |
|
84 |
1 |
Pump cam |
|
| 42 |
1 |
Choke cover |
|
85 |
1 |
Throttle spindle |
|
| 43 |
1 |
Pump spill |
|
86 |
2 |
Washer |
|
Weber DCOE 40
on my 88 c.i. Shovel
| No. |
Part name |
Size |
| 11 |
Air corrector jet |
180 |
| 13 |
Emulsion tube |
F 15 |
| 15 |
Main jet |
130 |
| 16 |
Idle jet |
55F2 |
| 22 |
Venturi |
30 mm |
| 8 |
Needle valve |
Big |
10 March 2002: found this
Weber OEM Jetting Table,
might come in handy!
| Carb Type PN |
Main Venturi |
Aux. Vent. |
Main Jet |
Emulsion Tube |
Air Corr |
Idle Jet |
Pump Jet |
Pump Bleed |
Needle Valve |
Float Level * |
Derivation |
| DCOE |
| 40 DCOE 18 (R&L) 19550.013/.014 |
30 |
4.5 |
115 |
F11 |
200 |
45F9 |
40 |
50 |
175 |
8.5/15 |
Lotus Elan & Cortina |
| 40 DCOE 32 (R&L) 19550.043/044 |
32 |
4.5 |
130 |
F9 |
200 |
50F8 |
35 |
60 |
150 |
8.5/15 |
Alfa 1750 Europe |
| 40 DCOE 2 18550.005 |
33 |
4.5 |
115 |
F16 |
150 |
50F9 |
35 |
55 |
200 |
8.5/15 |
Lotus Seven |
| 42 DCOE 8 19570.001 |
32 |
3.5 |
135 |
F15 |
155 |
55F2 |
45 |
closed |
200 |
(1) |
Maserati 3500 GT |
| 45 DCOE 9 19600.017 |
36 |
4.5 |
145 |
F16 |
155 |
55F8 |
45 |
40 |
200 |
7/13.5 |
Alfa Romeo 2600 |
| 45 DCOE 9 19600.027 |
38 |
3.5 |
175 |
F2 |
170 |
70F6 |
40 |
closed |
200 |
(1) |
|
| 45 DCOE 13 19600.003 |
38 |
5.0 |
160 |
F16 |
170 |
45F9 |
50 |
100 |
225 |
(1) |
|
| 45 DCOE 13 19600.022 |
34 |
3.5 |
130 |
F2 |
175 |
50F9 |
50 |
50 |
225 |
(1) |
|
| 45 DCOE 15/16 19600.004/.005 |
38 |
5.0 |
125 |
F9 |
170 |
45F8 |
40 |
70 |
225 |
7.5/14 |
BMW 1800 TI/SA |
| 48 DCOE 98-1/99-1 19630.001/.002 |
42 |
4.5 |
180 |
F9 |
160 |
60F8 |
45 |
100 |
250 |
(1) |
Cosworth / Formula Atlantic |
| 50 DCO SP/SP1 19650.001/.002 |
46 |
5.0 |
180 |
F7 |
160 |
65F8 |
45 |
100 |
250 |
12/- |
Opel 2.4 Rallye |
| 50 DCO SP/SP1 19700.001/.002 |
48 |
5.0 |
180 |
F9 |
180 |
60F8 |
45 |
100 |
250 |
12/- |
|
(1)==varies according to installation
*=closed/open measurements
|