Copyright WWW.DBBP.COM | updated 26-September-2005

STAINLESS STEEL OILTANKS
WITH INTERNAL FILTERS

Page 7

Mounting a CSC finned oiltank
on my bike, Part 1

Page 6

New product: the CSC oiltank!

Page 5

Jochems oiltank

Page 4

Ad & Arie's oiltank, with batterybox

Page 3

The oiltank of my bike

Page 2:

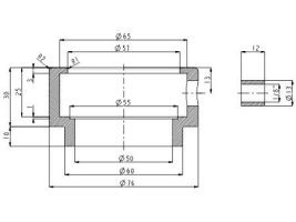
Dimensional sketches


Previous