Copyright WWW.DBBP.COM | updated 14-June-2004

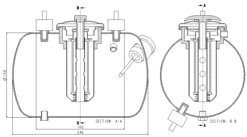
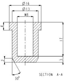
How to make a stainless steel
oiltank with internal oil-filter:


Some dimensional sketches I made, if you want the full set in
DWG or DXF format I will sell them to you for 25 euro's.

Previous